Search

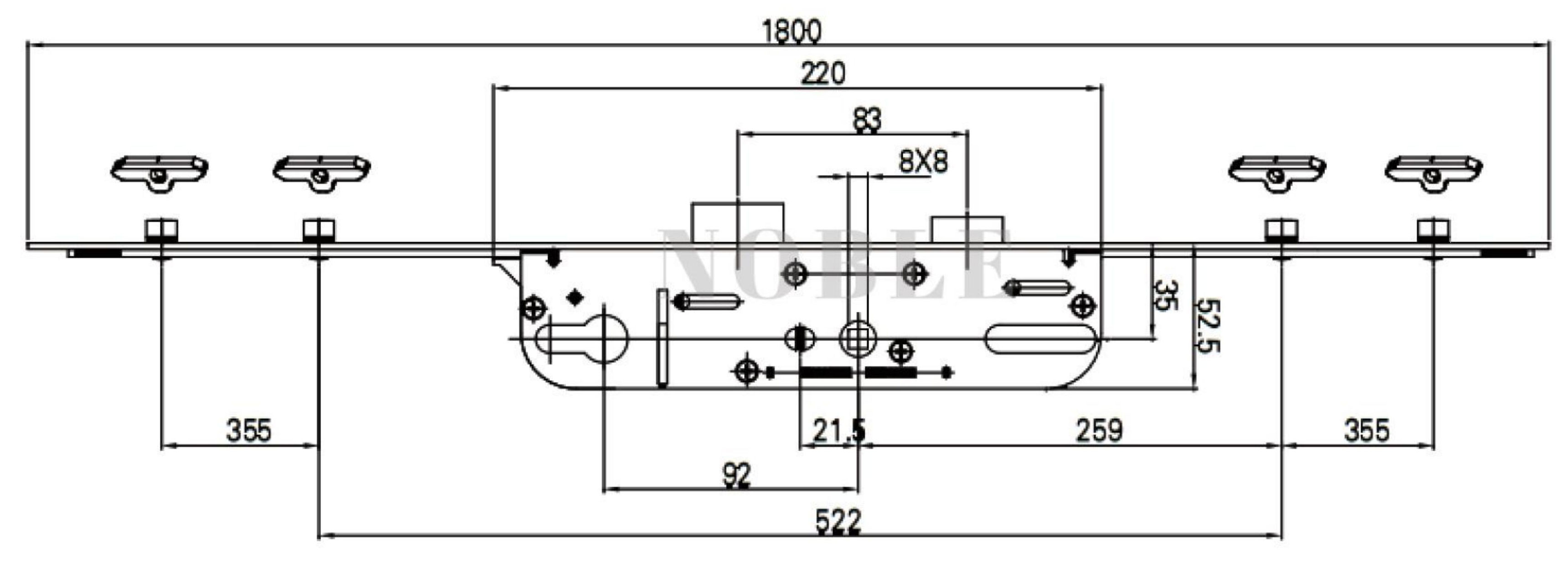
The worm planetary gear set is used to achieve synchronous locking of the four corners ± 0.05mm, and has passed the 800,000 on-off fatigue certification. The aerospace-grade sealed cavity design enables the core components to achieve IP68 protection level and ISO Class 5 dust-free standard in ICU negative pressure wards, data center clean rooms and other scenarios, and maintain a constant output torque of 2.8N·m in the temperature range of -40℃ to 120℃, providing atomic-level reliable power centers for special doors and windows.